(Ф7) GARDINA3 03 «ПФ 8243 Гардина 3х рядная (заправка по косой)» (3,2 м)
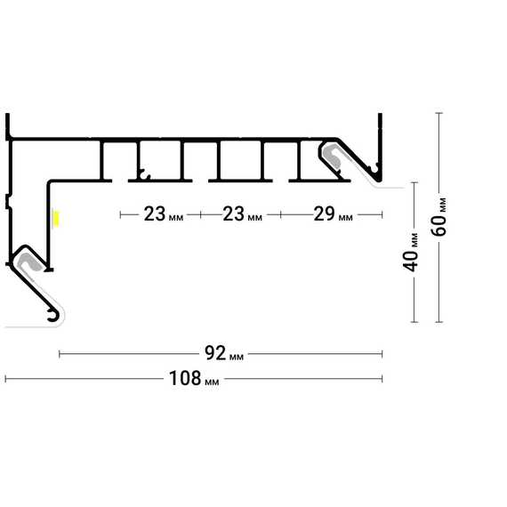
Профиль Flexy GARDINA3 03 для изготовления скрытых карнизных ниш с тремя пазами для установки штор и гардин. Для гарпунной системы крепления полотна с боковой заправкой.
Крепление: Саморезами или дюбелями к потолку через монтажные уголки. Шаг крепления не более 1,5 м. Можно крепить вплотную к стене.
Заправка полотна: Полотно верхнего уровня заправляется стандартной прямой лопаткой, нижнего уровня - лопаткой с рабочей частью длиной не менее 35 мм и углом 70-90°.
Светодиодная лента: Максимальная ширина 25 мм. Меняется без съема полотна.
Стыковка: Без перехода и зазора. Стержнем ∅2 мм и бандажом шириной 15 мм.
Отзывы не найдены
