Профиль Световая линия 30мм VEGA (Белый муар)
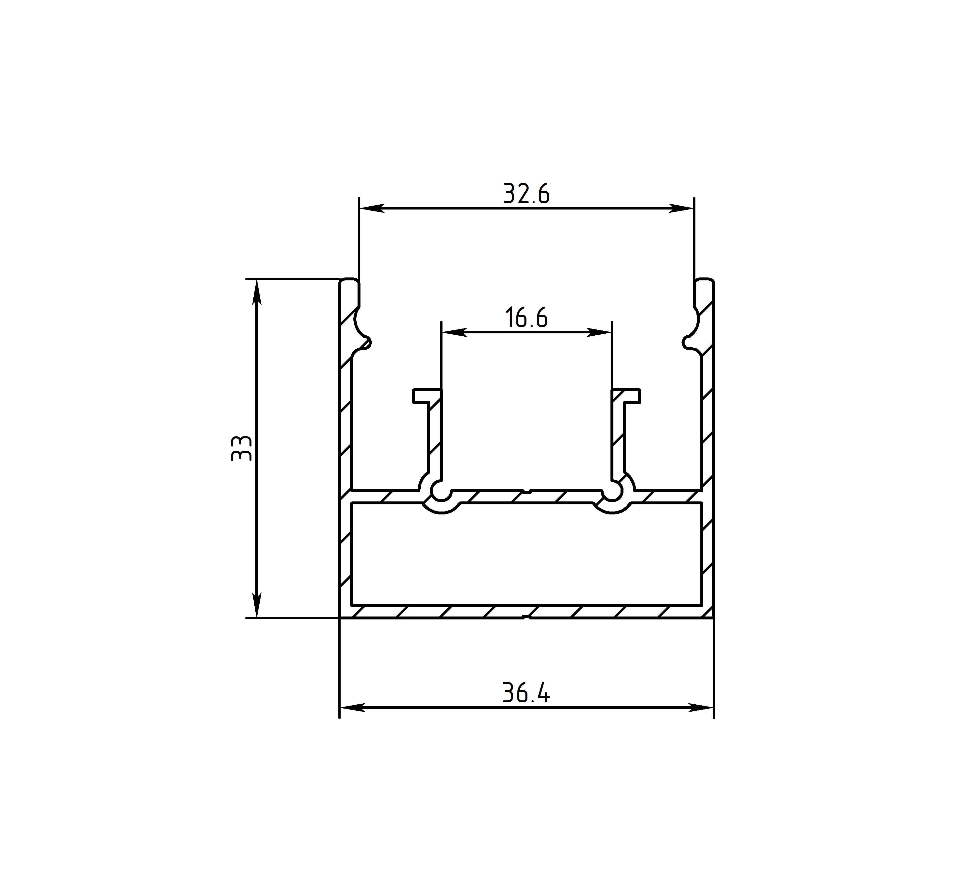
Встраиваемый светодиодный профиль белого цвета для монтажа световых линий в натяжном потолке. Размеры профиля составляют 2000х33х30 мм, с площадкой для размещения светодиодной ленты. К профилю предусмотрены экраны, заглушки и другие аксессуары, которые приобретаются отдельно.
Отзывы не найдены
