Профиль контурный SLOTT FOR ARLIGHT
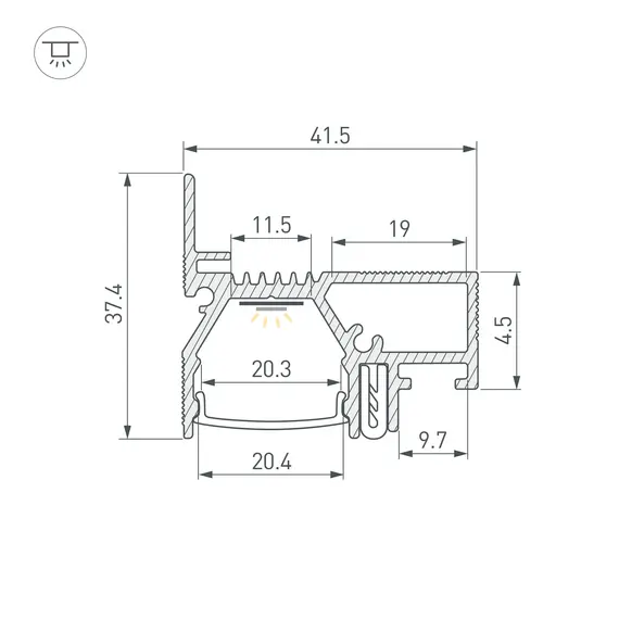
Алюминиевый профиль черного цвета - RAL9005 (порошковая окраска). Боковая линия света в натяжных потолках. Решение 2-в-1: служит каркасом для крепления натяжного потолка и профилем для установки светодиодной ленты. Источник света находится вровень с плоскостью натяжного потолка. Демпферная система крепления полотна натяжного потолка подходит как для тканевых, так и для ПВХ полотен. Габаритные размеры профиля составляют 2000 мм в длину, 41,5 мм в ширину и 37,4 мм в высоту. Основная площадка для установки светодиодных лент шириной до 11,5 мм и две дополнительные площадки шириной по 10мм. Это обеспечивает гибкость в выборе светодиодных лент и создает потрясающие световые решения. Экран и другие аксессуары не включены в комплект и приобретаются отдельно. Цена указана за 2 метра профиля. Отличное решение для создания современных световых проектов.
Отзывы не найдены
